products
產品中心
礦用電動閥門系列 > 礦用隔爆型閥門電動裝置控制箱
主要特點及用途
隨著煤礦自動化水平的提高,手動閥門很難適應現代發展的需要,在新設計的礦井或老礦的改造中都大量使用電動閥門。本公司的礦用隔爆型閥門電動裝置,是專為提高煤礦閥門自動化系統而研制開發的,而KXBC隔爆型閥門電動裝置控制箱是為礦用隔爆型閥門電動裝置配套的控制產品。
KXBC礦用隔爆型閥門電動裝置控制箱具有與DCS系統接口銜接的功能,從而使控制箱在自動化系統中的應用更為廣泛、可靠,在此基礎上控制箱具有短路保護、過載保護、欠壓保護、漏電保護、過力矩保護、斷相保護及相序鑒別自動糾正等功能,并設置了行程控制、遠方/就地控制的切換功能,使其使用功能更趨完善。
KXBC礦用隔爆型閥門電動裝置控制外型設計上除確保隔爆性能外、同時具有防止誤操作的機械及電器鎖功能,使設備的使用安全可靠。在此基礎上為監視設備運行情況,本產品還設置了各種運行監視指示,如電源指示、開閥指示、關閥指示、過力矩指示、故障指示及閥位開度顯示。
型號表示方法
工作條件與工作環境

KXBC礦用隔爆型閥門電動裝置控制箱設計與制造標準
控制箱技術性能
1.具有短路、斷相、過載、欠壓、漏電等多種保護功能。
2.可提供遠方/就地兩種選擇。
3.信號電平:DC5V\DC24V。
4.輸出阻抗700。
5.輸出^大信號電流DC36mA。
6.在電機旋向確定后,可自動校正三相電源的相序,用戶可隨意接入電動控制箱的三相電源。
7.可與多種自控系統可靠銜接。
8.由用戶提供干接點、使用模塊上的+24VDC電源(詳見電氣原理圖)。
9.由用戶提供+24VDC電源、此時用戶的+24VDC電源負極與模塊電源負極并接一起,電源的正極輸入到模塊的各功能端,即可實現各種控制功能。
10.輸入/輸出信號均經光電隔離,抗干擾能力較強。
11.開閥、關閥、電子互鎖加機械互鎖,可靠保證開向、關向交流接觸器不能同時吸合。
12.欠壓保護值為額度電壓的負15%。
控制箱外形結構和外形尺寸
一空一外形圖

一空三外形圖
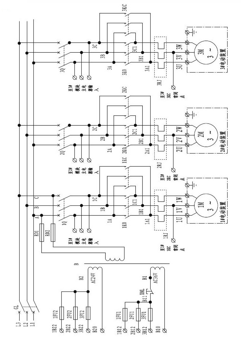
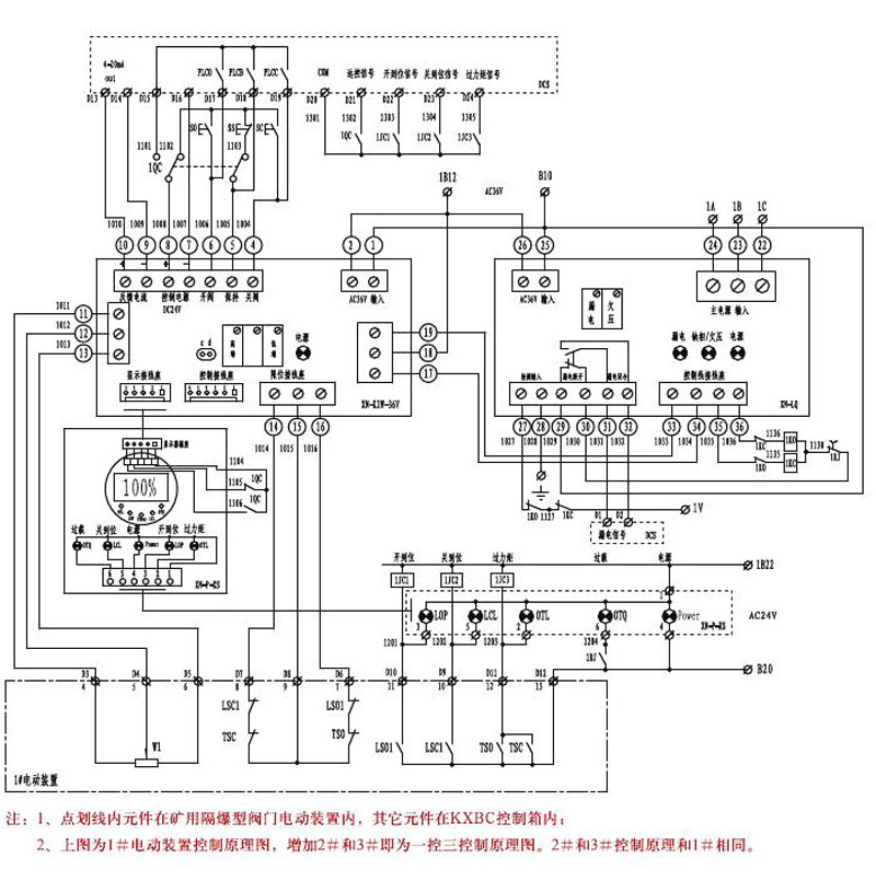
KXBC礦用隔爆型電動裝置控制箱電氣原理圖
主回路

控制回路

KXBC礦用隔爆型閥門電動裝置控制箱端子圖
- 2025-11-01 > 閥門電裝的選型流程是怎樣的
- 2025-10-16 > 如何選擇適合的閥門驅動裝置
- 2025-09-08 > 電動閥門執行器:工業自動化的核心驅動裝置
- 2025-08-15 > 電動閥門改造:技術升級與智能化轉型的全面解析
- 2025-07-07 > 電動閥門改造需要注意什么問題
- 2025-06-20 > 選電動閥門執行器時需要考慮哪些因素呢
- 2025-05-26 > 閥門電裝控制回路技能鑒定實操
- 2025-04-24 > 電動閥門執行器在哪個位置
- 2025-03-17 > 電動閥門執行器安裝方向
- 2025-02-18 > 閥門電裝可以接地嗎


